自作付属装置(その1)


アンテナ アナライザー

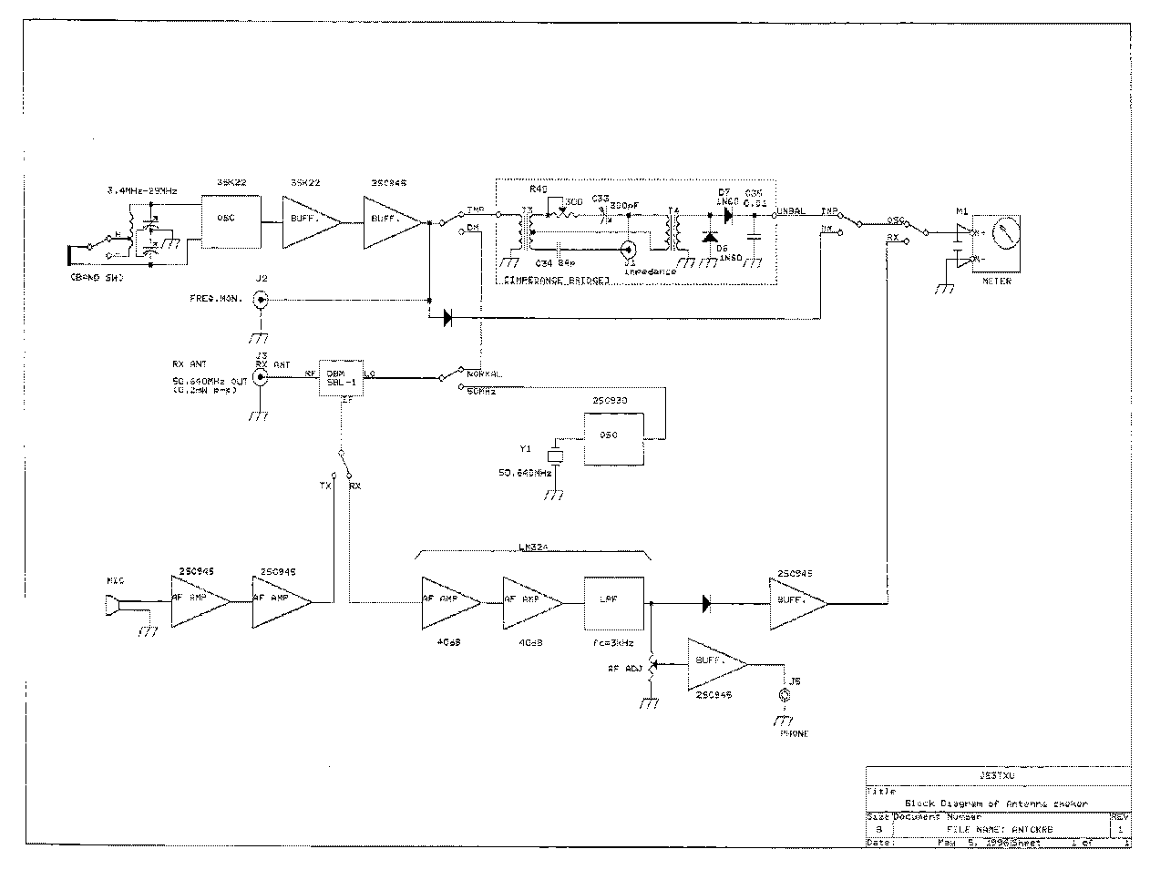
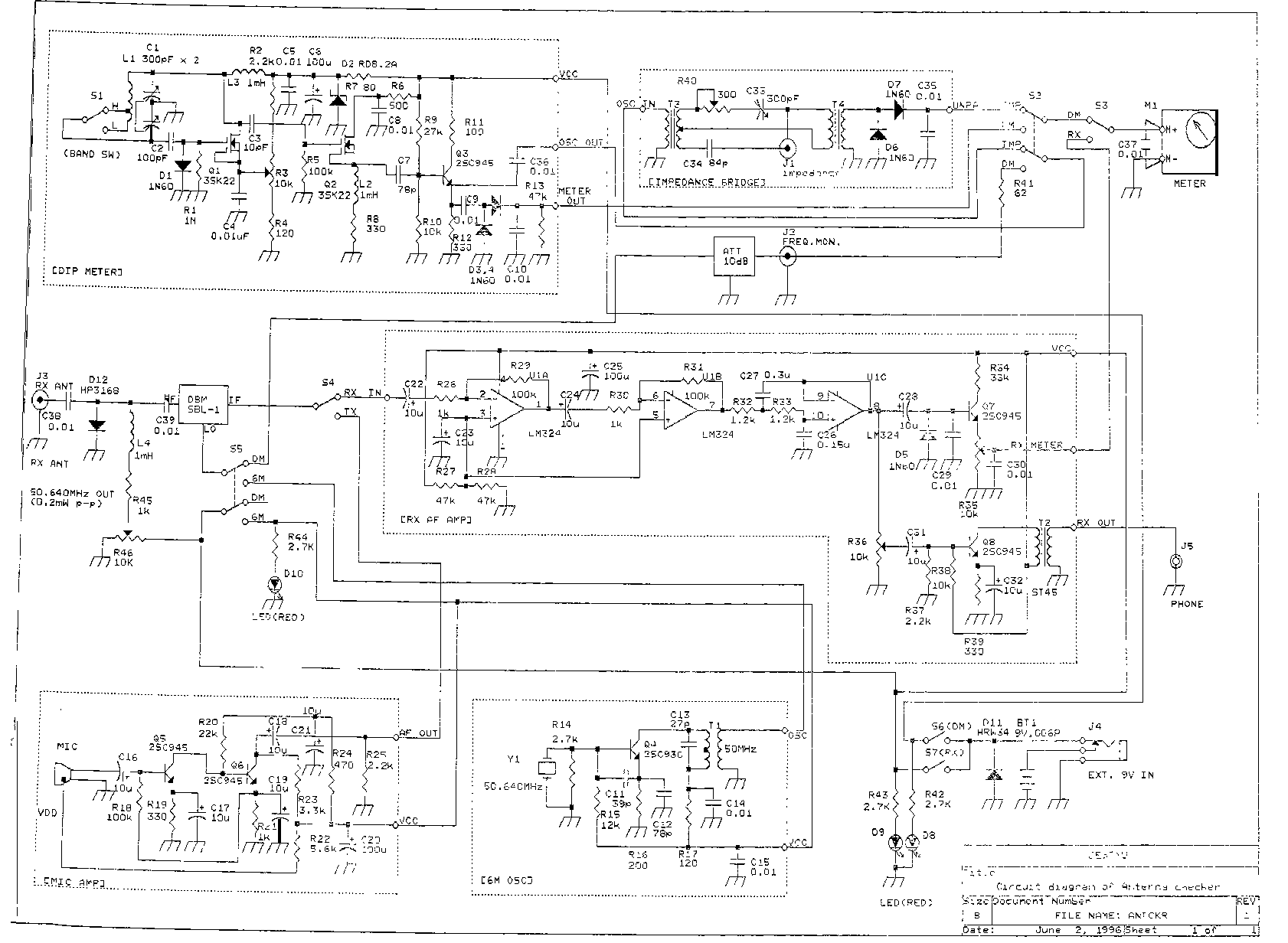
ハムフェア’96自作コンテストの規定部門で優秀賞第2席を受賞しました。ディップメータ、インピーダンスブリッジ、DC受信機他の機能を搭載しています。ケースはお風呂場ラジオのジャンクを流用しています。

<記事はモービルハム1996年12月号に掲載>




 ・ブロック図

 ・回路図



430MHz トランスバータ

タクシー機を改造して作った50MHzを親機とするオールモードトランスバータです。タクシー機を流用すると430MHzでも安価で簡単に作れます(SSBで使えるものを作ろうとすると技術力は結構必要ですが)。




RTTYターミナルユニット

ST−6型RTTYターミナルアダプタです。パソコンを接続してRTTYもやってます。



                                目次に戻る