自作付属装置(その3)





















スペクトラムアナライザ


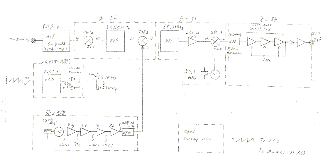
秋月のスペアナユニットが発売される前に自作したものです。オシロスコープを接続して500MHzまでのスペクトラムを表示します。ダイナミックレンジは40dB程度しか取れませんでしたが、発振器の調整等に威力を発揮しました。はっきり言ってこのクラスの自作は相当技術が要求されスペアナなしで作るのは大変でした。






ステップ アッテネーター

ラジカセの押しボタンスイッチを流用して作ったものです。ケースはプリント基板で半田付けしてます。抵抗は普通の1/4Wソリッド型ですが、150MHzまで正確な減衰量が得られています。






目次に戻る

UHF SWR計

ローカルクラブが販売していたキットを作ってみました。